Каминная топка Spartherm Arte U-90h
Замер в подарок в день обращения!
Доставка за 1 день и 0 рублей
Вентиляционные решетки из Европы в подарок
Удобный шоурум (Славянский Мир)
- ЦЕНА: 1 121 500 руб.
-
Нашли дешевле?
Сделаем еще выгоднее!
Описание данной топки
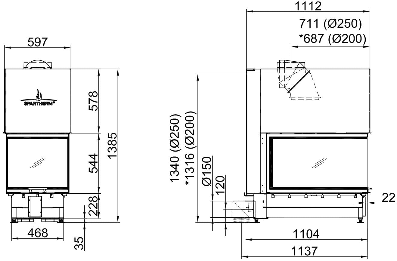
Каминная топка Spartherm Arte U-90h (Шпартерм Arte U-90h) — это высокоэффективная, современная модель с корпусом из стали. Максимальная мощность равна 16.9 кВт, чего хватает для обогрева помещения в 420 м³. КПД — 80%. У топки трехстороннее жаропрочное стекло, украшенное по периметру шелкографией (отделка Linear 4S). Дверца с подъёмным механизмом. Ширина дверцы с фронтальной стороны — 556 мм, с боковых — 913 мм, высота — 544 мм.
Топочная камера футерована шамотом белого (опционально черного) цвета. Модель оснащена чугунным колосником и зольным ящиком. Топка обладает всеми современными технологиями горения: вторичный дожиг газов и система "Чистое стекло". Очаг с возможностью притока воздуха извне. Для подключения необходим дымоход диаметром 250 или 200 мм (по желанию покупателя).
Каминные топки Spartherm

Каминные топки Spartherm — это высокоэффективные изделия, оснащенные современными технологиями сгорания и достаточно разнообразным модельным рядом, включающим в себя топки следующих серий:
- Mini — небольшие модели, которые поместятся даже под лестницей. Максимальная мощность устройств — от 6.8 до 9.1 кВт. Стекло может быть фронтальным, двухсторонним или со сквозным обзором. Дверца может открываться вбок или подъёмом вверх (буква "h" в названии).
- Arte — модели с вытянутым по высоте стеклом. Вертикальный формат позволит в полной мере насладиться красотой горения. Максимальная мощность топок в диапазоне от 8.3 до 16.9 кВт. Возможны следующие варианты стекла: привычное фронтальное, двухстороннее или же трёхстороннее. Фронтальное стекло трёхсторонних топок может быть широким (такие модели лучше располагать у стены) или узким, но с длинными боковыми стёклами, что отлично подойдёт для завершения межкомнатной перегородки. Дверца всегда оснащена подъёмным механизмом.
- Lean — несколько топок с уменьшенной глубиной — вариант для тех, у кого небольшое помещение или же кому важнее эстетическая составляющая камина. Возможно управление с помощью электроники (система S-Thermatik NEO и/или S-esam 3.0). Максимальная мощность: 9.8—10.3 кВт. Доступны с двух- или трёхсторонним стеклом. Как и в предыдущей серии, дверца только с подъёмным механизмом.
- Varia — максимальное разнообразие форм и размеров: фронтальные модели с подъёмным механизмом или левым/правым открыванием двери; двухсторонние (пристенно-угловые) варианты с обоими способами открывания; трёхсторонние топки с подъёмным механизмом или же модели со сквозным обзором, для встраивания между двумя комнатами. Ширина стекла — до 1200 мм. Макс. мощность в диапазоне 9.1—19.5 кВт.
- Premium — самые технологичные и современные модели с безрамным исполнением дверцы, полностью скрытым механизмом подъёма и возможностью электронного управления горением и дверцей. Стекло может быть прямым, двухсторонним, трёхсторонним (как пристенное, так и встраиваемое в перегородку расположение) или же со сквозным обзором. Максимальная мощность очагов — от 10.3 до 14.8 кВт.
КПД устройств достигает 80%. Корпус всех моделей выполнен из стали. Гарантия — 5 лет. Подробнее об особенностях топок Spartherm:
Чугунный поворотный дымосборник

Один из важнейших элементов топки выполнен из чугуна. Патрубок поворачивается по горизонтали в любом направлении.
Футеровка

В стандартной комплектации топочная камера всех топок выложена шамотом белого цвета. Чёрный шамот — заказная футеровка, содержит в составе графит, имеет более современный вид и улучшенные характеристики.
Дверца и стекло


В топках Spartherm используется термостойкое стекло от немецкой фирмы Schott. Модели с подъёмным механизмом оснащены дверным замком Soft Close с жесткими дверными профилями. В очаги с боковым открыванием устанавливается Smart Close — саморегулирующийся замок с системой замыкания и технологией постоянного прижима.
В стандартной комплектации многих устройств установлена модификация обрамления Linear 4S — 4-сторонняя рамка, скрытый подъёмный механизм с 2-сторонним креплением. По периметру стекла нанесена шелкография, подчеркивающая красоту пламени (представлена на левом рисунке выше).
Второй и более редкий вариант — Premium. Это безрамное исполнение дверцы без окрашивания стекла. Механизм подъёма полностью скрыт.
Монтажные рамы


Для завершенности конструкции и прочности камина возможна установка монтажной рамы. Spartherm предоставляет несколько вариантов:
- Монтажная рама с кантом — на первом изображении, толщина — 3 мм, выдерживает нагрузку в 100 кг.
- Монтажная рама массивная — второе изображение, толщина — 6 мм, допустимая нагрузка до 250 кг.
В некоторых моделях монтажная рама поставляется вместе с топкой.
Современные системы горения
Топки Spartherm оснащены современными системами горения: вторичный (дополнительный) дожиг газов, повышающий эффективность горения, и система "Чистое стекло" — по специальным каналам происходит обдув стекла, что обеспечивает его чистоту.
Также все модели Spartherm имеют возможность подвода воздуха на горение извне (из соседнего помещения или улицы). Для этого в конструкции предусмотрен патрубок VLK или SVS. В некоторых моделях адаптер поставляется в комплекте.
Регулировочный рычаг

Служит для регулировки приточного воздуха. Доступен в двух вариантах:
- Teleskomechanik — благородный минималистичный дизайн и высокая функциональность.
- Kalte Hande (холодная рука) — практически незаметный регулятор, управление с помощью съёмного инструмента.
Колосниковая решётка

В топках Spartherm установлена литая колосниковая решетка с подъёмным механизмом, что облегчает чистку.
Регулируемые ножки

Обеспечивают удобство монтажа, устойчивость топки и облегчают её выравнивание.
Электронные системы управления

Часть моделей с подъёмным механизмом дверцы могут снабжаться электронными системами управления, а именно:
- S-Thermatik NEO — система автоматического управления за процессом горения, учитывающая топливо, температуру и подачу воздуха в топку. Управление осуществляется через дисплей или приложение.
- S-esam — система подъёма дверцы с помощью привода. Управление — с помощью пульта Д/У или дисплея / приложения, в случае установки с S-Thermatik NEO.
О производителе Spartherm

Spartherm (Шпартерм) — немецкий бренд, один из самых крупных производителей каминных топок и печей-каминов в Европе. Компания основана в 1986 году и за более чем 35 лет работы разрослась до 22,5 тысяч м² производственных помещений, включающих в себя центр управления производством, цеха, оснащенные самыми современными станками и устройствами, а также собственный отдел развития, где непрерывно идёт поиск инновационных решений и оптимизация выпускаемой продукции. Основные цеха и управление компанией расположены в городе Мелле.
Штат компании насчитывает приблизительно 500 сотрудников. Каждый год выпускается около 45 000 каминных топок и печей-каминов. Цель компании — производство изделий высочайшего качества в современном дизайне со всеми инновациями в области отопления.
| Характеристики товара | |
| Высота (мм) | 1385 |
| Ширина (мм) | 565 |
| Глубина (мм) | 1112 |
| Мощность (кВт) | 16.9 |
| Вес (кг) | 393 |
| Высота по дверце (стеклу) (мм) | 544 |
| Ширина по дверце (стеклу) (мм) | 556 | 913 |
| Диаметр дымохода (мм) | 250 | 200 |
| Стекло | Три стекла |
| КПД (%) | 80 |
| Колосник и зольник | Есть |
| Водяной контур | Нет |
| Объем помещения (м3) | 420 |
| Материал топки | Сталь |
| Открывание дверцы | Подъем вверх |
| Приток воздуха извне | Есть |
| Страна производства | Германия |
| Топливо | Дрова |
| Футеровка | Шамот |
Инструкции и файлы
PDF Руководство по монтажу Топки Spartherm (1.58MB)PDF Руководство по эксплуатации Топки Spartherm (1.27MB)
PDF Каталог каминных топок Spartherm (2022 г.) (5.52MB)
PDF Технический рисунок Топка Spartherm Arte U-90h (4.02MB)
PDF Декларация соотв. Spartherm Arte U-90h (2020 г, Анг.) (548.98KB)
PDF Технический лист Топка Spartherm Arte U-90h (Анг.) (95.91KB)
9:00 - 19:00 (сб.-вс.)












