Замер в подарок в день обращения!
Доставка за 1 день и 0 рублей
Вентиляционные решетки из Европы в подарок
Удобный шоурум (Славянский Мир)
- ЦЕНА: 50 400 руб.
-
Нашли дешевле?
Сделаем еще выгоднее!
Описание данной топки
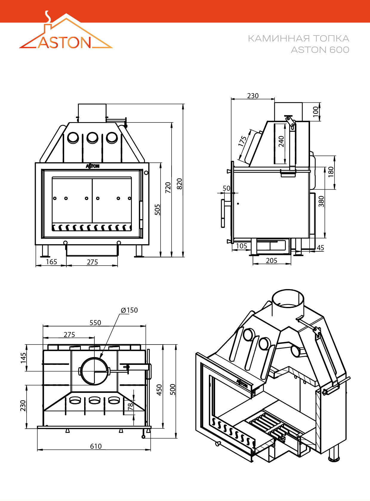
Каминная топка Астон 600 (Aston 600) выполнена из котловой стали 09Г2С. Мощность изделия составляет 10 кВт, чего хватает для обогрева помещения объёмом 210 м³. У модели прямое керамическое стекло. Дверца топки, шириной 520 мм и высотой 365 мм, с боковым открыванием. За стеклом предусмотрен ограничитель, предотвращающий выпадение дров.
Внутри топка футерована вермикулитовыми плитами толщиной 30 мм. На дне установлен чугунный колосник с расположенным под ним зольным ящиком. Очаг оснащён системой вторичного дожига газов, улучшающей эффективность горения, поворотным шибером и высоким дымосборником. Внутри дымосборника размещены три теплообменные трубки, которые усиливают конвекцию изделия.
Для отвода продуктов сгорания необходим дымоход диаметром 150 мм, а для облегчения монтажа предусмотрены регулируемые по высоте ножки.
Каминные топки Астон

Каминные топки Aston — доступные отечественные отопительные устройства, выполненные из особо прочной котловой стали 09Г2С. Диапазон номинальной мощности модельного ряда: от 10 до 15 кВт, чего достаточно для помещений объемом от 200 до 330 м³.
Для обзора процесса горения в топку устанавливается термостойкое керамическое стекло, выдерживающее температуру 650 °C. Среди моделей есть топки как с классическим прямым стеклом, так и с двумя стеклами (пристенно-угловое расположение, "левая" или "правая" в названии модели). Открывание дверцы всегда боковое.
Футеровкой топки могут выступать шамотные или вермикулитовые плиты толщиной 40 и 30 мм соответственно. Над топочной камерой для перенаправления дымовых газов к стенкам топки установлен пламегаситель, выполненный из нержавеющей стали. Некоторые модели снабжены вторым пламегасителем с футеровкой из вермикулита.
Во всех очагах реализован дополнительный дожиг газов: по воздушным каналам на заднюю стенку топки подаётся дополнительный воздух, который перемешивается с дымовыми газами, что и вызывает их дополнительное горение. Модели оснащены колосниковым типом горения, поворотным шибером и высоким дымосборником. Внутри дымосборника размещены три или четыре теплообменные трубки, которые увеличивают скорость нагретого воздуха и усиливают конвекцию изделий.
Для облегчения процесса монтажа подавляющее большинство изделий комплектуется регулируемыми по высоте ножками.
О компании Aston

Продукция торговой марки Aston разрабатывается и производится на собственном предприятии, расположенном в России. Для получения высококачественной продукции компании применяет следующие материалы и технологические процессы:
- сырьё, используемое в изделиях, соответствует отраслевым нормативным документам и ГОСТам;
- оборудование и станки для продукции Астон позволяет обрабатывать материалы с точностью до десятой миллиметра;
- роботизированная сварка изделий из стали обеспечивает высокое качество приборов и длительный срок эксплуатации.
Кредо компании Aston — производство надёжных, доступных и качественных источников тепла и их аксессуаров для дома и бани.
| Характеристики товара | |
| Высота (мм) | 820 |
| Ширина (мм) | 610 |
| Глубина (мм) | 500 |
| Мощность (кВт) | 10 |
| Вес (кг) | 80 |
| Высота по дверце (стеклу) (мм) | 365 |
| Ширина по дверце (стеклу) (мм) | 520 |
| Диаметр дымохода (мм) | 150 |
| Стекло | Прямое |
| Колосник и зольник | Есть |
| Водяной контур | Нет |
| Объем помещения (м3) | 210 |
| Материал топки | Сталь |
| Открывание дверцы | Боковое |
| Приток воздуха извне | Нет |
| Страна производства | Россия |
| Топливо | Дрова |
| Футеровка | Вермикулит |
| Гарантия | 1 год |
Инструкции и файлы
PDF Руководство по монтажу и эксп. Каминные топки Aston (2025 г.) (858.56KB)PDF Декларация о соответствии Каминные топки Aston (2023 г.) (223.8KB)
9:00 - 19:00 (сб.-вс.)






