Замер в подарок в день обращения!
Доставка за 1 день и 0 рублей
Вентиляционные решетки из Европы в подарок
Удобный шоурум (Славянский Мир)
- ЦЕНА: 404 780 руб.
-
Нашли дешевле?
Сделаем еще выгоднее!
Описание данной топки
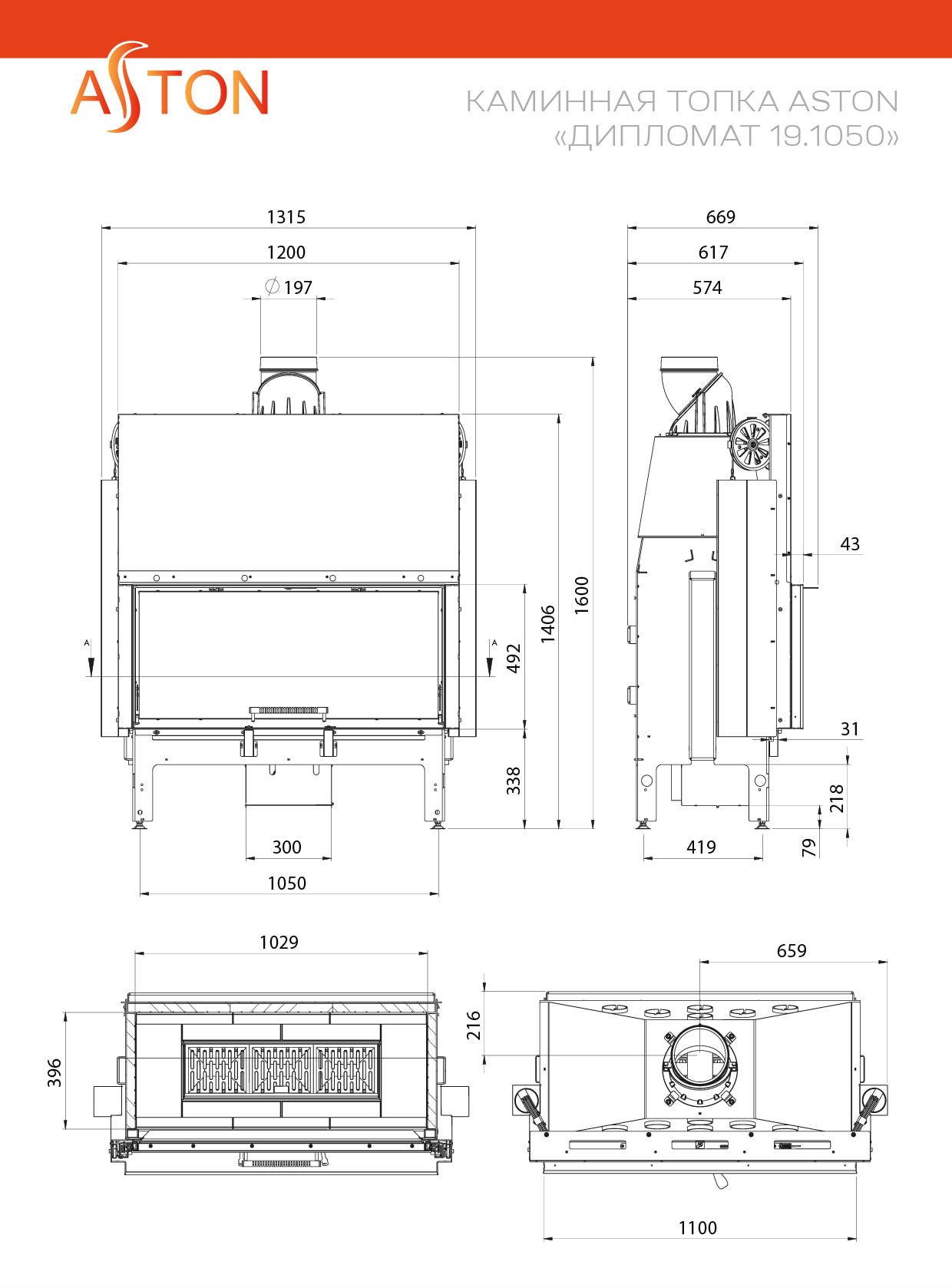
Каминная топка Астон Дипломат 19.1050 (Aston Diplomat 19.1050) выполнена из котловой стали 20К. Мощность изделия составляет 19 кВт, чего хватает для обогрева помещения объёмом 475 м³. КПД — 75.5%. У модели прямое стекло Neoceram, выдерживающее температуру 800 °C. Дверца топки шириной 1100 мм и высотой 492 мм с подъемным механизмом.
Внутри топка футерована керамобетоном, устойчивым к температуре до 1000 °C. На дне установлен наклонный чугунный колосник с расположенным под ним зольным ящиком. Очаг оснащён системой вторичного дожига газов, улучшающей эффективность горения, системой "Чистое стекло" и высоким дымосборником. Внутри дымосборника размещены шесть теплообменных трубок, которые усиливают конвекцию изделия.
В модели есть возможность притока воздуха извне. Для отвода продуктов сгорания необходим дымоход диаметром 200 мм, а для облегчения монтажа предусмотрены регулируемые по высоте ножки. Угол подключения дымохода можно изменить, благодаря чугунному патрубку с плавной регулировкой на 360°.
Каминные топки Астон Премиум

Каминные топки Aston Премиум — отечественные отопительные устройства высокого класса, выполненные из особо прочной котловой стали 20К. Диапазон номинальной мощности модельного ряда: от 14 до 19 кВт, чего достаточно для помещений объемом от 350 до 475 м³.
Для обзора процесса горения в топку устанавливается термостойкое стекло Neoceram, выдерживающее температуру 800 °C (модель "Сенатор" снабжается керамическим стеклом, рассчитанным на 650 °C). Среди моделей есть топки как с классическим прямым стеклом, так и с двумя стёклами (пристенно-угловое расположение, "левая" или "правая" в названии модели). Открывание дверцы может быть боковым или с подъёмом вверх. Дверца изготавливается из специального жесткого термостойкого профиля.
Футеровкой топок может выступать вермикулит толщиной 30 мм или керамобетон, устойчивый к температуре до 1000 °C. Над топочной камерой для перенаправления дымовых газов к стенкам топки установлен пламегаситель, выполненный из того же материала.
Во всех очагах реализован дополнительный дожиг газов: по воздушным каналам на заднюю стенку топки подаётся дополнительный воздух, который перемешивается с дымовыми газами, что вызывает их дополнительное горение. Также модельный ряд оснащен системой "Чистое стекло": воздух из второго канала поступает на всю поверхность стекла, тем самым препятствуя оседанию сажи и копоти.
Модели могут быть оснащены как колосниковым, так и подовым типом горения, а также часто возможностью притока воздуха извне и высоким дымосборником. Внутри дымосборника размещены теплообменные трубки, которые увеличивают скорость нагретого воздуха и усиливают конвекцию изделий.
Для облегчения процесса монтажа подавляющее большинство изделий комплектуется регулируемыми по высоте ножками.
О компании Aston

Продукция торговой марки Aston разрабатывается и производится на собственном предприятии, расположенном в России. Для получения высококачественной продукции компании применяет следующие материалы и технологические процессы:
- сырьё, используемое в изделиях, соответствует отраслевым нормативным документам и ГОСТам;
- оборудование и станки для продукции Астон позволяет обрабатывать материалы с точностью до десятой миллиметра;
- роботизированная сварка изделий из стали обеспечивает высокое качество приборов и длительный срок эксплуатации.
Кредо компании Aston — производство надёжных, доступных и качественных источников тепла и их аксессуаров для дома и бани.
| Характеристики товара | |
| Высота (мм) | 1600 |
| Ширина (мм) | 1315 |
| Глубина (мм) | 669 |
| Мощность (кВт) | 19 |
| Вес (кг) | 409 |
| Высота по дверце (стеклу) (мм) | 492 |
| Ширина по дверце (стеклу) (мм) | 1100 |
| Диаметр дымохода (мм) | 200 |
| Стекло | Прямое |
| КПД (%) | 75.5 |
| Колосник и зольник | Есть |
| Водяной контур | Нет |
| Объем помещения (м3) | 475 |
| Материал топки | Сталь |
| Открывание дверцы | Подъем вверх |
| Приток воздуха извне | Есть |
| Страна производства | Россия |
| Топливо | Дрова |
| Футеровка | Керамобетон |
| Гарантия | 1 год |
Инструкции и файлы
PDF Руководство по монтажу и эксп. Каминные топки Aston (2025 г.) (858.56KB)PDF Декларация о соответствии Каминные топки Aston (2023 г.) (223.8KB)
9:00 - 19:00 (сб.-вс.)







