Замер в подарок в день обращения!
Доставка за 1 день и 0 рублей
Вентиляционные решетки из Европы в подарок
Удобный шоурум (Славянский Мир)
- 783 450 руб.
- ЦЕНА: 720 774 руб.
-
Нашли дешевле?
Сделаем еще выгоднее!
Описание данной топки
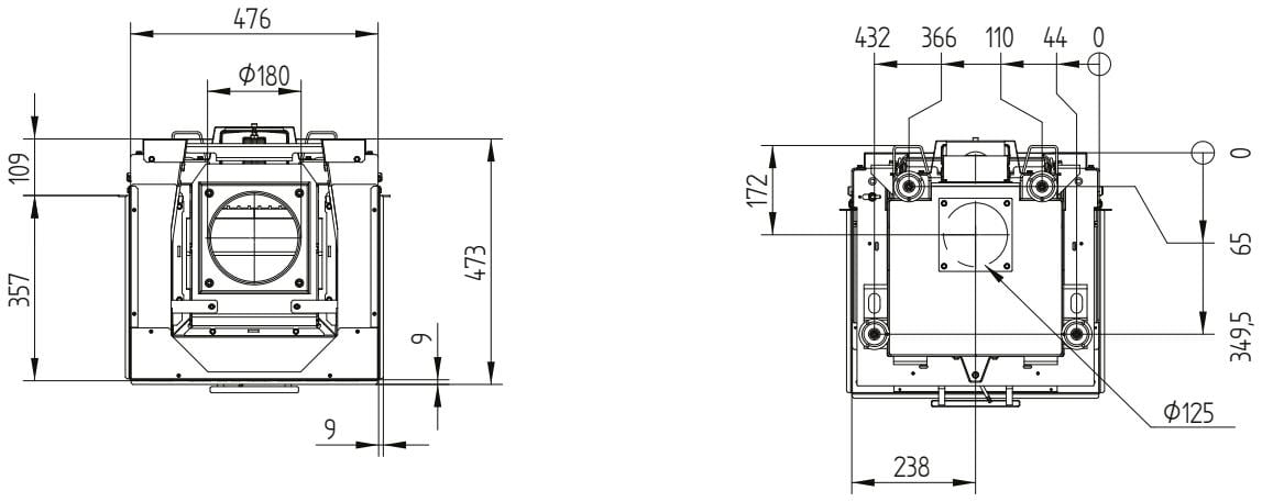
Каминная топка Hoxter UKA 35/45/35/50Sh (Хокстер UKA 35/45/35/50Sh) — это высокоэффективная модель с корпусом из стали. Номинальная мощность равна 6 кВт, чего хватает для обогрева помещения в 150 м³. КПД > 80%. У топки трёхстороннее жаропрочное стекло. Дверца с подъёмным механизмом. Ширина видимой части с фронтальной стороны — 456 мм, с боковых — 338 мм, высота — 504 мм.
Топочная камера футерована шамотом светлого (опционально тёмного) оттенка. Модель работает по принципу подового (безколосникового) горения. Топка обладает всеми современными технологиями горения: вторичный дожиг газов и система "Чистое стекло". Очаг с возможностью притока воздуха извне. Топку можно оснастить аккумулятивным комплектом. Для отвода продуктов сгорания необходим дымоход диаметром 180 мм.
Видеообзор: Надежность топок Hoxter
Каминные топки Hoxter

Каминные топки Хокстер — это высокоэффективные изделия из стали и чугуна с использованием современных технологий. Модельный ряд включает в себя топки с разным количеством стёкол и разнообразием их форм:
- Haka – топки с одним прямым стеклом.
- Ecka – два стекла, угловое или пристенно-угловое расположение.
- Uka – три стекла, предназначены для пристенного расположения или для завершения межкомнатной перегородки.
- Haka с буквой T в названии модели — два стекла, образующие туннельный (сквозной) обзор на огонь. Предназначены для установки в межкомнатные перегородки.
Среди топок Hoxter есть устройства как с боковым открытием дверцы, так и с подъемным механизмом (буква "h" в названии). Номинальная мощность топок – от 6 до 22 кВт (без учета моделей с водяным контуром и теплонакопительным комплектом), КПД устройств >80%. Подробнее об особенностях топок Hoxter:
Стальной корпус

Корпус каминных топок Hoxter выполнен из жаропрочной стали, обогащенной никелем и хромом. Использование этого материала гарантирует продолжительный срок службы и устойчивость в условиях тепловых нагрузок.
Различные модификации

В топках Hoxter возможны различные варианты элемента подключения дымохода:
- Чугунный дымосборник — стандартная комплектация, обеспечивает классический конвекционный способ обогрева, когда холодный воздух поступает через нижние вент. решетки, нагревается и в виде тепла подаётся в помещение через верхние решетки. Это эффективный способ для того, чтобы быстро нагреть помещение, однако температура начинает падать, когда горение прекращается.
- Стальной теплообменник — дополнительный элемент в лаконичном дизайне, увеличивающий количество тепла, отдаваемого топкой благодаря продуманной циркуляции. Возможен вариант с выходом под 45 или 90°.
- Комплект теплонакопительных колец — аккумулятивный комплект, обеспечивающий намного большую тепловую мощность топки. Кольца — это тяжелый материал, накапливающий и постепенно отдающий тепловую энергию дымовых газов в помещение через свои теплопроводящие стенки. Тепло от камина в такой модификации исходит не только во время самого горения, но и долгие часы после. В зависимости от модели вес комплекта может достигать 150 кг.
Футеровка

Топочная камера топок Hoxter выложена шамотным материалом светлого или тёмного оттенка, на выбор покупателя. Цвет никак не влияет на свойства изделия. В процессе производства шамот подвергается температуре более 1100 °C, что гарантирует прочность и долгий срок эксплуатации материала.
Подовое горение
Все топки Hoxter работают по принципу подового (безколосникового) горения. Преимущества данной технологии:
- Топливо сгорает более качественно, в мелкую пыль, отдавая при этом больше тепла.
- Увеличен интервал профилактического обслуживания устройства.
- Время розжига сокращается при наличии золы в топке.
Керамическое стекло и двойное остекление

Топки Hoxter оснащаются устойчивым к высоким температурам керамическим стеклом. Дверца может иметь одинарное или двойное остекление. Двойное стекло улучшает теплоизоляционные свойства камина, повышая температуру внутри топки, а энергия тепла используется более экономно (см. диаграмму).

Кроме того, уменьшается передача тепла от стекла в помещение, что делает нахождение возле камина более комфортным. Компания Hoxter в 2012 году впервые на рынке представила двойное остекление топок с цельногнутым угловым стеклом.
Дверной профиль

Дверной профиль, используемый в топках Хокстер, выполнен из огнеупорной стали толщиной 2.5 мм. Такой материал не подвержен деформации от ежедневной эксплуатации отопительного устройства в условиях высоких температур; тепловое расширение — минимально. Профиль используется как при одинарном, так и при двойном остеклении. В желоб профиля монтируется уплотнительный шнур.
Подъёмный механизм дверцы
Надёжное и тихое открытие/закрытие дверцы и плавность её хода обеспечивает технически продуманный механизм. Точность работы при любых температурах обеспечивают восемь жаропрочных роликов, выдерживающих температуру до 350 °C. Ролики двигаются по профилям из высококачественной стали. При открытии дверца сначала отходит от корпуса, предотвращая повреждение уплотнителя.
Герметичность топочной камеры достигается благодаря пружинному механизму, с помощью которого дверца прижимается к корпусу с силой в 250 Ньютонов (25 кг).
Простота эксплуатации
Камеры сгорания топок Hoxter настолько герметичны, что моментально реагируют на изменение в регулировке. Элементы управления спроектированы таким образом, чтобы самостоятельно охлаждаются даже во время работы.
Современные системы горения
Все топки Hoxter оснащены современными системами горения: вторичный (дополнительный) дожиг газов, повышающий эффективность горения, и система "Чистое стекло" – по специальным каналам происходит обдув стекла, что обеспечивает его чистоту.
Также все модели Hoxter имеют возможность подвода воздуха на горение извне (из соседнего помещения или улицы). Для этого в конструкции предусмотрен патрубок диаметром 125 или 150 мм.
Обработка поверхностей

Поверхность изделий покрывается специальной краской UHT-HYDRO, способной выдержать температуру в 600 ºC. Эта краска высыхает сразу после нанесения при комнатной температуре, что делает её устойчивой к механическим повреждениям. Она не вызывает ненужного запаха при первой растопке отопительного устройства.
Комплектующие и детали топок обрабатываются краской UHT 600.
Индивидуальный дизайн

Ручка топочной дверцы и регулятор подачи воздуха из нержавеющей стали могут быть выполнены в стальном или чёрном цвете и иметь различную форму. Ручка также может быть съёмной.
К топкам предоставляется широкий ассортимент декоративных и монтажных рам. Кроме стандартных размеров, есть возможность индивидуального заказа. В моделях с боковым открыванием дверцы есть возможность изменить сторону расположения петель. Покупатель также может выбрать светлый или тёмный оттенок футеровки. Всё это разнообразие даёт возможность уникализации вашего камина.
О компании Hoxter

Hoxter — компания из Чехии, расположенная недалеко от города Брно. Хокстер занимается разработкой и производством современных каминных топок уже более 15 лет (с 2009 года). Hoxer самостоятельно обеспечивает полный цикл реализации: проектирование, производство, тестирование и продажа. Комплекс завода состоит из трёх цехов, в которых происходит сама сборка и располагаются складские помещения. Штат компании насчитывает около 100 человек.
Продукция компании экспортируется более чем в 25 стран мира. При разработке нового изделия или модернизации уже существующего применяется максимальное количество инновационных решений, чтобы обеспечить комфорт и долговечность использования. Качество и эффективность каминных топок Hoxter подтверждается многочисленными сертификатами, в том числе сертификациями NS 3059 и BlmSchV Stufe 2. Цель компании — стать самым популярным производителем качественных каминных топок.
| Характеристики товара | |
| Высота (мм) | 1246 |
| Ширина (мм) | 476 |
| Глубина (мм) | 466 |
| Мощность (кВт) | 6 |
| Вес (кг) | 135 |
| Высота по дверце (стеклу) (мм) | 504 |
| Ширина по дверце (стеклу) (мм) | 456 | 338 |
| Диаметр дымохода (мм) | 180 |
| Стекло | Три стекла |
| КПД (%) | 80 |
| Колосник и зольник | Нет |
| Водяной контур | Нет |
| Объем помещения (м3) | 150 |
| Материал топки | Сталь |
| Открывание дверцы | Подъем вверх |
| Приток воздуха извне | Есть |
| Страна производства | Чехия |
| Топливо | Дрова |
| Футеровка | Шамот |
Инструкции и файлы
PDF Руководство по монтажу топок Hoxter (3.36MB)PDF Каталог продукции Hoxter (8.3MB)
PDF Технические особенности топок Hoxter (1.22MB)
PDF Технический лист Топка UKA 35/45/35/50Sh (Анг.) (3.76MB)
9:00 - 19:00 (сб.-вс.)







