Замер в подарок в день обращения!
Доставка за 1 день и 0 рублей
Вентиляционные решетки из Европы в подарок
Удобный шоурум (Славянский Мир)
- ЦЕНА: 615 000 руб.
-
Нашли дешевле?
Сделаем еще выгоднее!
Описание данной топки
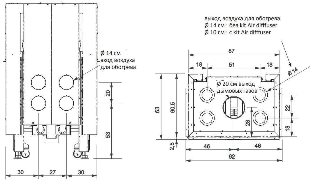
Каминная топка Edilkamin Windo3 85 (ЭдилКамин Виндо3 85) — это высокоэффективная модель с толстым стальным корпусом. Мощность устройства составляет 13.2 кВт, чего хватает для обогрева помещения в 345 м³. КПД — 84.6%. У топки трехстороннее жаропрочное стекло. Дверца с подъёмным механизмом. Ширина дверцы с фронтальной стороны — 870 мм, высота — 535 мм.
Топочная камера футерована огнеупорным керамикой Ecokeram. На дне топки колосник с расположенным под ним зольным ящиком. Модель обладает всеми современными технологиями горения: вторичный дожиг газов и система "Чистое стекло".
Очаг с возможностью притока воздуха извне, подключения вентилятора принудительной вентиляции, управлять которым можно с помощью пульта Д/У и распределения горячего воздуха по комнатам (конвекционных кожух). Для отвода продуктов сгорания необходим дымоход диаметром 200 мм.
Каминные топки Edilkamin Windo

Каминные топки ЭдилКамин Windo — это европейские отопительные устройства, снабженные инновационными технологиями. Корпус изделий выполнен из качественной толстой стали, КПД моделей достигает 78-84%. Мощность устройств — от 12.4 до 19 кВт.
В топках используется термостойкое стекло, способное выдержать температуру до 800° C. Оно может быть прямым, двусторонним или трехсторонним. Минимальная высота расположения очага от пола — порядка 120 мм. Дверца оснащена подъёмным механизмом с современной технологией скольжения: салазки из нержавеющей стали окрашены в черный цвет, оснащены спиральными пружинами с термостойкой смазкой; перпендикулярный надвиг для безупречной герметичности; 12-слойный металлический каркас.

Ручка дверцы покрыта нескользящим синтетическим каучуком, который удобно лежит в руке. Управление горением осуществляется посредством рычага под дверцей.
Футеровкой топочной камеры выступает огнеупорная керамика белого или чёрного цвета, на выбор покупателя. Чёрный цвет футеровки достигается благодаря двойному глазурированию, что обеспечивает более гладкую и яркую поверхность. На дно топки устанавливается колосниковая решётка. Для отвода продуктов сгорания необходим дымоход диаметром 180 или 200 мм.

Топки Edilkamin оснащены современными системами горения: вторичный (дополнительный) дожиг газов, повышающий эффективность горения, и система "Чистое стекло" — по специальным каналам происходит обдув стекла, что обеспечивает его чистоту. Все модели с возможностью притока воздуха извне, а также подключения вентилятора принудительной вентиляции, управлять которым можно с помощью пульта Д/У. Устройства также снабжаются:
- 4 транспортировочными колесами.
- 4 регулируемыми ножками.
- Петлей для подъёма.
Общая схема работы топок EdilKamin представлена ниже:

- Первичная подача воздуха для горения.
- Вторичный забор воздуха (поступает через верхнюю часть дверцы, создавая систему "Чистое стекло").
- Третичный забор воздуха (поступает через ряд отверстий в верхней части камеры сгорания).
- Зазор для нагрева воздуха.
- Теплообменник для горячего воздуха.
- Вентилятор воздуха с электронным управлением.
- Отверстия для распределения горячего воздуха по комнатам.
- Отверстие для выхода дымовых газов.
- Дверь, оснащенная керамическим стеклом, способным выдержать температуру до 800° C.
Схему, соответствующую вашей модели, смотрите в техническом паспорте изделия.
О производителе EdilKamin

Компания EdilKamin (ЭдилКамин) — один из европейских лидеров в области отопительного оборудования. Бренд был основан в 1963 году, и вот уже больше 60 лет занимается производством пеллетных и дровяных печей, каминных топок и облицовок к ним.
Штаб-квартира компании располагается в городе Лайнате, провинция Милан, Италия. Там, с 1982 года, размещаются отделы общего управления, бизнес-подразделений, администрации, маркетинга, информационных технологий, а также выставочный зал со всей продукцией, общей площадью более 1000 м². В Габбьонете Бинануова, в провинции Кремона, расположено историческое предприятие общей площадью 70 000 м² и крытой — 25 000 м². В городе Лаванью (провинция Верна) расположены научно-исследовательская лаборатория и технический центр, где разрабатываются, проектируются, улучшаются и тестируются (для получения необходимых сертификатов и разрешений) продукты компании.
В штате предприятия трудятся более 250 сотрудников, 1500 продавцов и 60 агентов. Топки, печи и облицовки пользуются популярностью не только в самой Италии, но и в Европе — продукция компании экспортируется в более чем 30 стран, общее количество сервисных центров достигает отметки в 450 представительств.
EdilKamin сегодня — это многолетний опыт разработки, шесть производств как в своей стране, так и по всей Европе, передовые технологии и итальянский стиль в каждом изделии.
| Характеристики товара | |
| Высота (мм) | 1500 |
| Ширина (мм) | 920 |
| Глубина (мм) | 630 |
| Мощность (кВт) | 13.2 |
| Вес (кг) | 350 |
| Высота по дверце (стеклу) (мм) | 535 |
| Ширина по дверце (стеклу) (мм) | 870 |
| Диаметр дымохода (мм) | 200 |
| Стекло | Три стекла |
| КПД (%) | 84.6 |
| Колосник и зольник | Есть |
| Водяной контур | Нет |
| Объем помещения (м3) | 345 |
| Материал топки | Сталь |
| Открывание дверцы | Подъем вверх |
| Приток воздуха извне | Есть |
| Страна производства | Италия |
| Топливо | Дрова |
| Футеровка | Ecokeram |
Инструкции и файлы
PDF Каталог Печей и топок EdilKamin (2019 г.) (7.34MB)PDF Декларация соотв. Печей и топок EdilKamin (2023 г.) (589.92KB)
PDF Руководство по монтажу и эксп. EdilKamin Windo3 85 (3.12MB)
PDF Декларация соотв. EdilKamin Windo3 85 (2017 г, Анг.) (83.95KB)
9:00 - 19:00 (сб.-вс.)










